3 Speed Ceiling Fan Switch Wiring

Hunter Ceiling Fan Speed Switch Wiring Diagram Hunter Ceiling Fans Ceiling Fan Pull Chain Ceiling Fan Wiring

Hunter Ceiling Fan Speed Switch Wiring Diagram Hunter Ceiling Fans Ceiling Fan Pull Chain Ceiling Fan Wiring

14 Automatic Wiring Diagram For Ceiling Fan Ceiling Fan Switch Ceiling Fan Wiring Ceiling Fan Pull Chain

14 Automatic Wiring Diagram For Ceiling Fan Ceiling Fan Switch Ceiling Fan Wiring Ceiling Fan Pull Chain

25 Wiring Diagram For 3 Way Switch Ceiling Fan Bookingritzcarlton Info Ceiling Fan Pull Chain Ceiling Fan Pulls Ceiling Fan With Light

25 Wiring Diagram For 3 Way Switch Ceiling Fan Bookingritzcarlton Info Ceiling Fan Pull Chain Ceiling Fan Pulls Ceiling Fan With Light

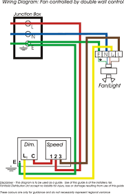
How To Wire 3 Speed Fan Switch Ceiling Fan With Light Ceiling Fan Switch Ceiling Fan Wiring

How To Wire 3 Speed Fan Switch Ceiling Fan With Light Ceiling Fan Switch Ceiling Fan Wiring

Ceiling Fan Speed Switch Wiring Diagram Ceiling Fan With Light Ceiling Fan Switch Fan Light Switch

Ceiling Fan Speed Switch Wiring Diagram Ceiling Fan With Light Ceiling Fan Switch Fan Light Switch

3 Speed Ceiling Fan Wiring Diagram Ceiling Fan

3 Speed Ceiling Fan Wiring Diagram Ceiling Fan

3 Speed Ceiling Fan Wiring Diagram Ceiling Fan

This is done when the pull chain breaks or the switch fails.

3 speed ceiling fan switch wiring. Variety of hunter 3 speed fan switch wiring diagram. Ceiling fan switch 3 speed 4 wire zing ear ze 268s6 pull chain switch control replacement speed control switch compatible with hunter ceiling fans wall lamps cabinet light brass pull chain 4 4 out of 5 stars 11. Otherwise the structure will not work as it ought to be.

5 coupon applied at checkout save 5 with coupon. Each component ought to be set and linked to different parts in specific manner. Hampton bay 3 speed ceiling fan switch wiring diagram hampton bay 3 speed ceiling fan switch wiring diagram every electrical structure is made up of various different parts.

In the above ceiling fan speed control wiring diagram i shown the main winding running winding and i connect run wire of motor to the speed control switch and you can see it in above diagram that connection of run wire of motor in switch l point and and 1 and 2 for capacitor. How to replace a 3 way 4 wire ceiling fan switch. Enerlites 3 speed ceiling fan control and led dimmer light switch 2 5a single pole light fan switch 300w incandescent load no neutral wire required 17001 f3 w white 4 1 out of 5 stars 305 19 99 19.

The replacement of a three speed pull chain switch is a very simple process that most any household handyman can accomplish in less than an hour with just a screwdriver and a few common household items. 6a 125vac 3a 250vac. Click on the image to enlarge and then save it to your computer by right clicking on.

Ceiling Fan And Light Switch Wiring Diagram Ceiling Fan Switch Hunter Ceiling Fans Ceiling Fan Wiring

Ceiling Fan And Light Switch Wiring Diagram Ceiling Fan Switch Hunter Ceiling Fans Ceiling Fan Wiring

25 Wiring Diagram For 3 Way Switch Ceiling Fan Bookingritzcarlton Info Fan Light Switch Ceiling Fan Wiring Light Switch Wiring

25 Wiring Diagram For 3 Way Switch Ceiling Fan Bookingritzcarlton Info Fan Light Switch Ceiling Fan Wiring Light Switch Wiring

How To Wire 3 Speed Fan Switch Fan Installation Ceiling Fan Installation Ceiling Fan Wiring

How To Wire 3 Speed Fan Switch Fan Installation Ceiling Fan Installation Ceiling Fan Wiring

Wiring Diagram For Ceiling Fan With Light Bookingritzcarlton Info In 2020 Ceiling Fan Switch Ceiling Fan Wiring Ceiling Fan Pull Chain

Wiring Diagram For Ceiling Fan With Light Bookingritzcarlton Info In 2020 Ceiling Fan Switch Ceiling Fan Wiring Ceiling Fan Pull Chain

How To Install A 3 Speed Ceiling Fan Switch

How To Install A 3 Speed Ceiling Fan Switch

Pin By Tikirico On My Saves In 2020 Ceiling Fan Wiring Ceiling Fan Pulls Ceiling Fan Pull Chain

Pin By Tikirico On My Saves In 2020 Ceiling Fan Wiring Ceiling Fan Pulls Ceiling Fan Pull Chain

Source : pinterest.com